西马格中国公司 欢迎您进入www.siemage.cn

产品分类

行星减速机转角器

行星减速机转角器

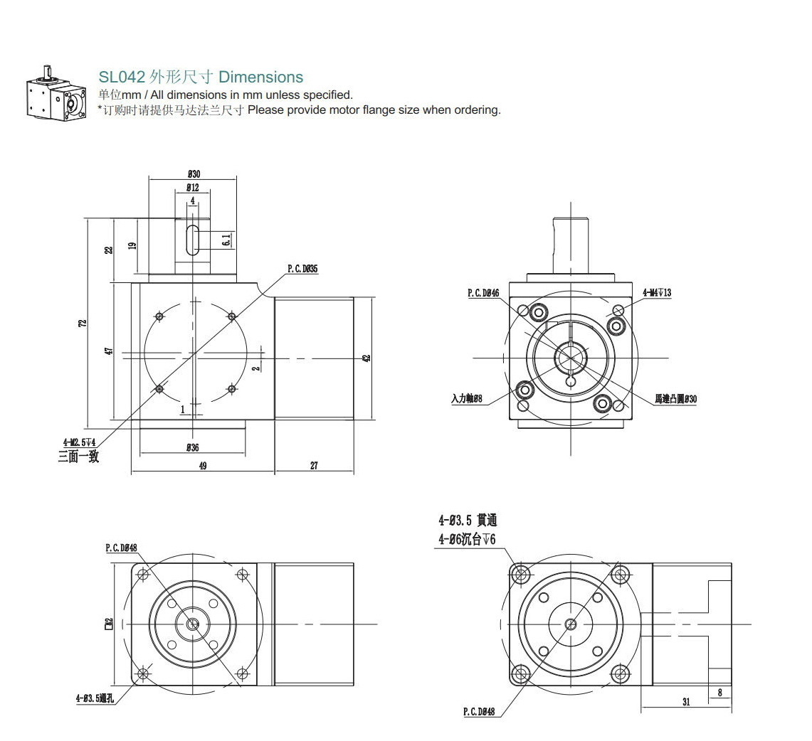
     西马格转角器可以用在中空旋转平台或行星减速机转向使用.也可以做为伺服电机的转向器。其型号有SL042,SL060,SL090,减速比有1:2,1:3,1:5。转角器的扭矩分别为12NM,48NM,95NM.另可开发订制特殊型号行星减速机转角器。

行星减速机转角器

行星减速机转角器42

行星减速机转角器60

行星减速机转角器90


西马格官网 德国西马格

西马格动力科技有限公司

全 国 热线:400-990-7385邮编:511400

浙江西马格:18357212618

福建西马格:18160919225

广东西马格:18302020760

邮箱:postmaster@siemage.com网 址:http://www.siemage.cn

Copyright © 2008 西马格动力科技有限公司 All Rights Reserved. 粤ICP备2003022145号

粤公网安备 44011302003923号